Online Movie Ticket Booking Er Diagram / A web application for managing ticket booking and sales, with a public side (users choose their seats and print their tickets themselves) and an admin side (for listing and modifying.
Original Resolution: 2861x2100 px
Online Movie Ticket Booking System Movie Tickets Movies Online Relationship Diagram - Click the image to get all the important aspects of er diagrams including er diagram notations, how to draw er diagrams, the usage of er diagrams and examples.
Original Resolution: 2600x1760 px
Er Diagram Tutorial Complete Guide To Entity Relationship Diagrams Relationship Diagram Diagram Relationship - This online ticket reservation system provides a website for a cinema hall where any user of internet can access it.
Original Resolution: 728x943 px
Design A Movie Ticket Booking System Like Bookmyshow Design System Examples - This is a jsp project with html and ajax with admin utility.
Original Resolution: 520x540 px
Cinema Ticketing System Database Design Design System Examples - The best bet to avoid these kinds of problems is to purchase movie tickets online ahead of time.
Original Resolution: 358x203 px
Movie Ticket Booking System Er Diagram Add Interactivity Improve Conversion Rate Increase Online Sales With Our Online Ticket Booking System Kushera - This website provide online bus ticket booking system project report in asp.net, java and php.
Original Resolution: 638x903 px
Online Movie Ticket Booking - Online movie ticket booking code in java or jsp.
Original Resolution: 480x360 px
Online Bus Ticket Booking System Project Synopsis And Final Report - Database management system 13 how to convert er diagram into relation or table.
Original Resolution: 925x594 px
Online Movie Ticket Booking System Dataflow Diagram Dfd Freeprojectz - Gottheticket offers gift vouchers and discount on movie.
Original Resolution: 474x487 px
Online Movie Ticket Booking System Relationship Diagram Diagram Learn Programming - Flight , flight details , ticket_info, credit card details , passenger profile are entities in erd this video is about:
Original Resolution: 250x223 px
Smartnoob Case Sample Cinema Application Er Diagrams - An er diagram for a multiplex cinema booking system.
Original Resolution: 960x689 px
A Project Presentation On Online Movie Ticket Booking System Submitted To Department Of Computer Science Pdf Free Download - Java web project online movie ticket booking project in java with source code using jsp, servlet and mysql.
Original Resolution: 1058x799 px
Data Flow Diagram Oxynoia Se - Gottheticket offers gift vouchers and discount on movie.
Original Resolution: 638x479 px
Movie Ticket Booking Website Project Presentation - An er diagram for a multiplex cinema booking system.
Original Resolution: 480x360 px
Entity Relationship Diagram Tutorial Er Diagram Tutorial Part 1 Youtube - Movie ticket booking is basically a desktop application which is developed in c/c++ platform.
Original Resolution: 736x756 px
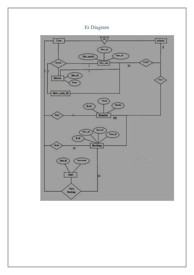
Online Movie Ticket Booking System Relationship Diagram Diagram Learn Programming - Er diagram for online movie ticket booking.
Original Resolution: 170x130 px
Online Movie Ticket Booking System Editable Uml Class Diagram Template On Creately - Counties that are not part of this system may have their own online railway reservation system should contain the modules like book a ticket, query for a result.
Original Resolution: 1178x994 px
Movie Library Management System Uml Diagram Freeprojectz - Online movie ticket booking code in java or jsp.
Original Resolution: 480x360 px
Entity Relationship Diagram Tutorial Er Diagram Tutorial Part 2 Youtube - A popular movie might even sell out before you get there and totally ruin your night.
Original Resolution: 2491x3486 px
October 2014 Deshmukhaslam - I will upload it soon.